Этот подход был разработан Питером Стедлмайером, и его гениальная идея оказалась проста: он всего лишь применил испокон веку известный статистический инструмент, кривую нормального распределения, к рынку.
Основные принципы, лежащие в основе рыночного профиля, включают в себя:
- объём - это естественное выражение рынка (здесь и далее объём представлен не в виде количества торгуемых контрактов по данной цене, а как интерес к данной цене во временном промежутке - торговая плотность)
- рынок имеет два измерения - вертикальное и горизонтальное
- рыночный профиль - это реляционная база данных, которая содержит двухразмерный рынок и постоянно сравнивает его горизонтальную и вертикальную активность
- рыночный поток цикличен и состоит из четырёх шагов.

В общем, рыночный профиль (Market Profile, далее просто МР) можно представить как наглядную базу данных, которая даёт представление о вертикальной и горизонтальной активности рынка. То есть мы начинаем видеть некую торговую плотность (очень похоже на торговые облъёмы) и начинаем понимать внутреннюю динамику рынка, что в итоге поможет провести более объективную оценку рынку, в отличии или дополнительно к многочисленным методам теханализа.
А в общем саму идею преобразования барового графика цены в МР можно увидеть на следующем рисунке:

Принципы рыночного профиля, и рынка в целом.
- Цена движется в сторону согласия. Движение цены это двоякий процесс, рынок движется вверх, пока есть покупатели, потом цена становится привлекательной для продавцов, и рынок разворачивается, пока не иссякли продавцы.
- В процессе торгов рынок создает экстремумы (или несправедливую цену) и в дальнейшем он пытается установить справедливую цену или ценность (value). И в последствии цена стремится оттолкнуться от несправедливой цены и сформировать ценность, или пройти ее и создать нечто новое.
- Баланс и Дисбаланс. Чтобы способствовать процессу торговли в плане распределения товаров и услуг (как основная функция рынка), рынок движется от баланса к дисбалансу, и обратно и так далее. Это его основная модель поведения - в одной сессии или в долгосрочной перспективе. Сбалансированный рынок - когда объем спроса равен объему предложения, когда рынок нашел справедливую цену, тогда он распределяется вокруг нее. Несбалансированный рынок - превалирует покупка или продажа. Рынок движется в определенную сторону, до тех пор пока не получит отпор с противоположной стороны. Когда рынок движется направленно, он ищет справедливую цену вокруг, которой мог бы распределиться.
- Time Frame (по П. Стедлмайеру) - это силовые точки во времени, которые заставляют принимать людей решение. Например, конец торговой сессии, или выходные, либо даты выхода каких-либо важных данных.
- Цена может быть выше, ниже или среди ценности. Нужно сказать, что несправедливые High и Low, а также зона ценности, одновременно существуют для разных перспектив (долгосрочной, среднесрочной, и краткосрочной), то есть Несправедливый краткосрочный High, может находиться в зоне ценности в долгосрочной перспективе, для этого используются дополнительные графики рыночного профиля.
Рассмотрим основные понятия на рисунке:

- Справедливая цена - Fair Price
- Несправедливый High, Unfair High
- Несправедливый Low, unfair low
- Зона ценности, Value Area
- Зона начального баланса, Initial Balance
- Расширенный Диапазон, Range Extension
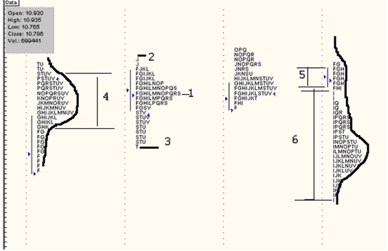
Каждый символ на графике MP представляет собой Time-Price Opportunity (TPO) (или Временно-Ценовую Возможность) . TPO - это возможности созданные рынком по определенной цене в определенное время. TPO - основные единицы для анализа дневной активности, которые могут как приниматься рынком, так и отвергаться. Отвергнутые зоны представляют собой установленные несправедливые High - Low, расстояние между которыми представляет собой диапазон, в котором развивается ценность (value area).
Обычно каждая буква характеризует интервал 30 минут, и расстанавливается на вертикальной шкале в соответствии с ценой, если новый TPO (другая буква) появится по этой же цене, где были предыдущие TPO, то происходит как бы наслоение.
Плюсы данного типа графиков:
- сразу видна общая картина распределения ценности
- с помощью этих графиков можно увидеть долгосрочную ценность на рынке
Рассмотрим подробнее, как рыночный профиль представляет информацию. Вместо изображения каждого получасового сегмента в виде бара (картинка приведена выше), каждый такой сегмент, в зависимости от текущего времени, обозначается своей буквой, а затем располагается специальным образом. Следующие рисунки помогут окончательно понять, как график цены перестраивается в предмет нашего изучения - Профиль рынка (МР):



Насчёт рынка: мы придерживемся того, чтобы применять его только на биржевом, желательно на инструменте с высокой ликвидностью. Автор идеи сам много лет проработал трейдером на "полу" Чикагской биржи и совместил воедино сведения, многие из которых недоступным "электронным" трейдерам. Хотя желающие могут его попробовать и на валютных парах форекс, но в дальнейшем будем рассматривать только биржевые инструменты.

